199.2.4
Beispiele für Anschlußmöglichkeiten von ISDN-Endgeräten
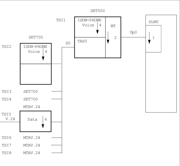
Bild 63
CORNET-T-Endgeräte am Up0-Anschluß (SET500)
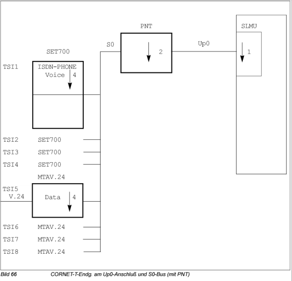
Bild 64
CORNET-T-Endgeräte am Up0-Anschluß
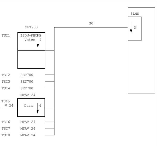
Bild 65
CORNET-T-Endgeräte am Up0-Anschluß und S0-Bus
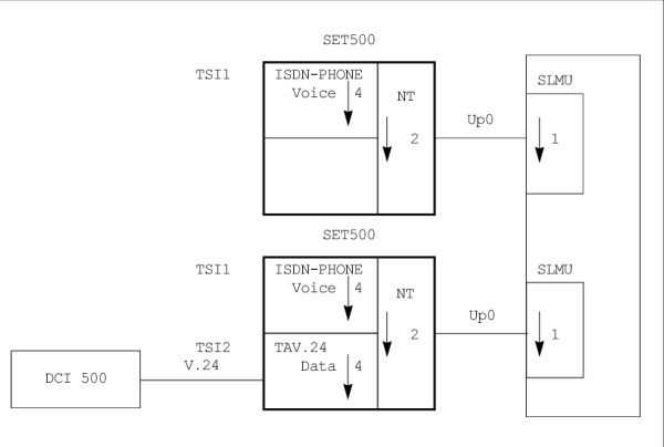
Bild 67
CORNET-T-Endg. am S0-Bus (SLMS Baugruppe)
Bild 68
CORNET-T-Endg. am S0-Bus (STMD Baugruppe) B1200-xx-15/11/93
Prüfschleifennummer
Satz-Bg-Typ
Standard
zusätzlich erlaubt
SLMR/ SLMR24
SLMR-VOICE
SLMR-DATA
ATI
OPS
DiD
DiD8
DiR
COT
TTI
SMIDIG
SMIANA
TMD24
ILOC
IDC, IDL, EDC
TMDN/SLMN-T1
ILOC
ILOC, IDC, IDL, EDC, PON, POFF
T1
ILOC
ILOC, IDC, IDL, EDC,
SMIANA, SMIDIG
RLI
RLITDM
SLMO / SLMO24 / STMA_TFA/ STMA_PSW
1
Tabelle 60
Liste der erlaubten Prüfschleifen bei Satzprüfung
Prüfschleifennummer
Satz-Bg-Typ
Standard
zusätzlich erlaubt
SLMS
DIUC / DIUC64
STMA
DIUS2/ DIUS7 / SLMN-E1
4
SLMU
SLMU16
SLMQ/SLMQ-EXT
4
2 (PNT)
SLMO/SLMO-REMOTE
4
2
Tabelle 61
Tabelle 3 Liste der erlaubten Prüfschleifen bei Endgeräteprüfung
Hinweise
Bei anderen Baugruppen wird die Prüfschleifennummer nicht verwendet. Sie ist intern durch die Prüfroutinen festgelegt.
OpenScape 4000 V10, Band 1: AMO Beschreibungen, Servicedokumentation, Ausgabe 12
, ID:
P31003H31A0S107120020
Copyright ©
Unify Software and Solutions GmbH & Co. KG
03/2024
- All rights reserved.